Добро пожаловать на форум владельцев ЗиЛ 131/130/133/4331. Авторизируйтесь или зарегистрируйтесь.

ЯМЗ-236 на ЗИЛ-130, 131, 4331.

Тема в разделе "Двигатель", создана пользователем северянин, 21 сен 2011.

  1. Колхозник

    Колхозник Механик

    Сообщения:
    176
    Симпатии:
    21
    Адрес:
    Талон. Магаданская область.
    Автомобиль:
    ЗиЛ-131
    Имя:
    Александр
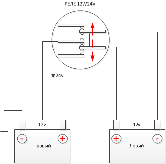
    post-19661-0-55403200-1372748422.png У меня на легковой такая схема, но там 2 аккумулятора по 90 А. Подобное реле но помощнее кто нибудь встречал?
     
  2. Ромашка

    Ромашка Ученик

    Сообщения:
    60
    Симпатии:
    5
    Адрес:
    Костанай
    Автомобиль:
    Зил 130
    Имя:
    Роман
    На fermer.ru обсуждалась эта тема.. зеленый провод +с ключа.30 это контакты реле,реле такие в любом магазе. Объяснять как работает долго,лучше покажите схему хорошему электрику он объяснит. А проше просто собрать ее,комплектуюшие ведь дешевые.
     
  3. Ромашка

    Ромашка Ученик

    Сообщения:
    60
    Симпатии:
    5
    Адрес:
    Костанай
    Автомобиль:
    Зил 130
    Имя:
    Роман
    На к
    Кировцах стоит ВК 30 ДЛЯ ЭТОГО. но на релюхах лучше, втягиваюшее от жигули. На тракторе беларус эта схема работает
     
  4. Колхозник

    Колхозник Механик

    Сообщения:
    176
    Симпатии:
    21
    Адрес:
    Талон. Магаданская область.
    Автомобиль:
    ЗиЛ-131
    Имя:
    Александр
    Вот встретил. Вопрос снят.
     

    Вложения:

  5. Колхозник

    Колхозник Механик

    Сообщения:
    176
    Симпатии:
    21
    Адрес:
    Талон. Магаданская область.
    Автомобиль:
    ЗиЛ-131
    Имя:
    Александр
    Роман, а почему на релюшках лучше? На ТЛК-80 1996 года стоит подобие, я приводил выше, сжёг по дури, прикуривал не правильно. Открыл, почистил,всё.
     
  6. Ромашка

    Ромашка Ученик

    Сообщения:
    60
    Симпатии:
    5
    Адрес:
    Костанай
    Автомобиль:
    Зил 130
    Имя:
    Роман
    Потому что не надо ничего переключать, ключ повернуль и поехал.!
     
  7. Ромашка

    Ромашка Ученик

    Сообщения:
    60
    Симпатии:
    5
    Адрес:
    Костанай
    Автомобиль:
    Зил 130
    Имя:
    Роман
    Но ВК 30 надежнее полюбому.
     
  8. Колхозник

    Колхозник Механик

    Сообщения:
    176
    Симпатии:
    21
    Адрес:
    Талон. Магаданская область.
    Автомобиль:
    ЗиЛ-131
    Имя:
    Александр
    Вот в этом всё дело. Раньше на дизелях с завода термостатов конструктивно не предусматривали, и не один пятилетний план на них перевыполняли, а теперь съездил на зимнюю рыбалку 2 раза с заклинившим термостатом и пошёл за контрактным мотором.
     
  9. Ромашка

    Ромашка Ученик

    Сообщения:
    60
    Симпатии:
    5
    Адрес:
    Костанай
    Автомобиль:
    Зил 130
    Имя:
    Роман
    Раньше и поршня чугунные были
     
    PPV нравится это.
  10. ziloman215

    ziloman215 Асс

    Сообщения:
    6.020
    Симпатии:
    1.008
    Адрес:
    Бесшахтинск РО
    Автомобиль:
    ЗиЛ-4331
    Имя:
    Алекс
    ВК встречается, периодически ...прайц от пары штукарей
     
  11. Ромашка

    Ромашка Ученик

    Сообщения:
    60
    Симпатии:
    5
    Адрес:
    Костанай
    Автомобиль:
    Зил 130
    Имя:
    Роман
    Ну ,дорогие,надо б/у снять где то.
     
  12. ziloman215

    ziloman215 Асс

    Сообщения:
    6.020
    Симпатии:
    1.008
    Адрес:
    Бесшахтинск РО
    Автомобиль:
    ЗиЛ-4331
    Имя:
    Алекс
    Я не торгаш ...
    Встречаются эксклюзивные вещи -беру ...
    Людям предлагаю не из-за корысти ради ,а интереса для
     
  13. Voly-Tryd

    Voly-Tryd Механик

    Сообщения:
    78
    Симпатии:
    18
    Адрес:
    СССР
    Автомобиль:
    Сам собрал сам езжу.
    Имя:
    Валерий
    У меня есть нового образца с предохранителем флажковым встроенным два баллона пива и почта поехали. На разборке у кентов два 133гя стоит могу спросить тоже я так думаю рублей по 300 гарантии нет.
     
    Последнее редактирование модератором: 11 дек 2019

Поделиться этой страницей