Добро пожаловать на форум владельцев ЗиЛ 131/130/133/4331. Авторизируйтесь или зарегистрируйтесь.

Как правильно отрегулировать кулачковое сцепление?

Тема в разделе "Трансмиссия", создана пользователем Hunter-77, 10 май 2013.

  1. Анатолий Захаров

    Анатолий Захаров Ученик

    Сообщения:
    34
    Симпатии:
    5
    Адрес:
    Самара
    Автомобиль:
    Зил-131
    Имя:
    Анатолий
    Добрый день! Выставляем зазор от диска сцепления до кулачков 40мм., и они начинают болтаться. Милиметров на 20 прям болтаются! так ведь не должно быть? Помогите, второй день мучаемся
     
  2. Oleg65

    Oleg65 Убежденный автомобилист Команда форума

    Сообщения:
    7.777
    Симпатии:
    2.869
    Адрес:
    Майкоп
    Автомобиль:
    ЗиЛ-4331 509+9ст
    Имя:
    Олег
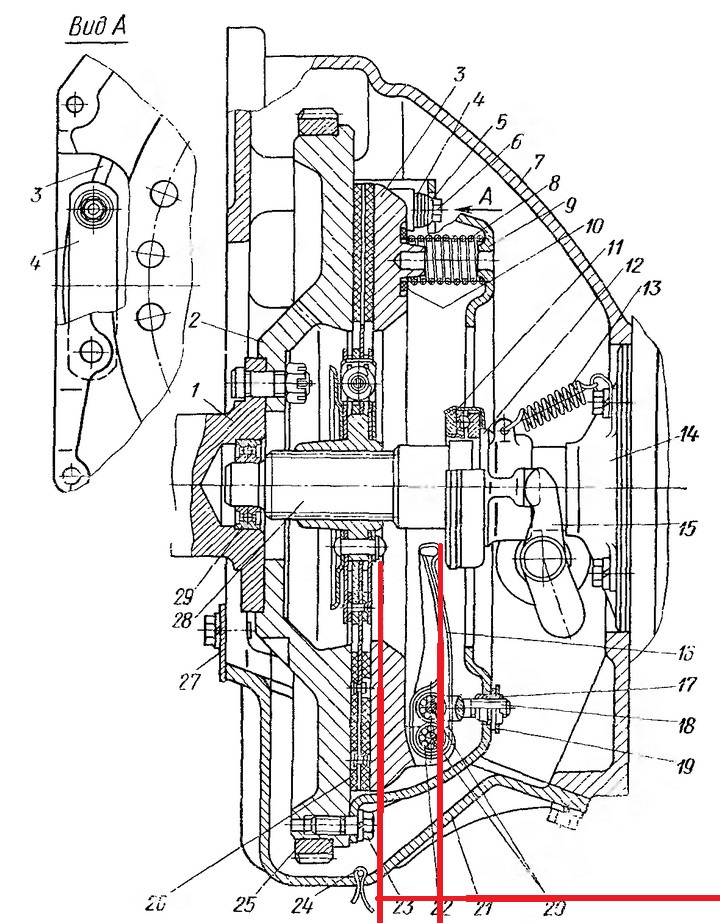
    ris37.jpg
    Не должно так быть, конечно же. Речь идет об этом размере?
    Могу предположить, что диск поставлен неправильно. Не той стороной.
     
  3. Maks

    Maks Шоферюга

    Сообщения:
    1.011
    Симпатии:
    306
    Адрес:
    п. Вершино-Шахтаминский Забайкальский край
    Автомобиль:
    Зил-131, Т-Ипсум, Н-
    Имя:
    Максим
    Регулирую лапки на корзине при помощи проволоки 2 мм, загиная её крючком. Такой зазор выставляю между лапкой и корзиной (внутренним краем). Если диск достаточно толстый( после наклепки), то подкладываю под корзину скобки из вязальной проволоки толщиной 1 мм. Между выжимным и лапками зазор около 1 мм. Все работает, как надо.
     
    xxmaxx и Атаман 61 нравится это.
  4. ziloman215

    ziloman215 Асс

    Сообщения:
    6.020
    Симпатии:
    1.008
    Адрес:
    Бесшахтинск РО
    Автомобиль:
    ЗиЛ-4331
    Имя:
    Алекс
    В тему.
    Купил другу на Алмазе выжимной,в коёбочке ,красявый ,с муфтой..два месяца отходило ента чуда пляцкое..
    Щастье шо оно таки наипнулось пока он ворота закрывал,а ехал грузиться асфальтом :shock:
    Карочи,эта ёпань заклинила от 'обильной' смазки,упорное типо кольцо сошло и :evil: сточило стакан выжимного
    Когда часть направляшей выжимного отошла,сцепа пропала
     
  5. Maks

    Maks Шоферюга

    Сообщения:
    1.011
    Симпатии:
    306
    Адрес:
    п. Вершино-Шахтаминский Забайкальский край
    Автомобиль:
    Зил-131, Т-Ипсум, Н-
    Имя:
    Максим
    Всегда кипячу даже новые выжимные в нигроле. Для этого случая ещё с совдеповских времён имеется литра два нигрола. Также впаиваю тавотницу и при очередном ТО шприцую выжимной. За 23 года всего раз клинил, и то на заре моей шоферской карьеры.
     
  6. Зиломан

    Зиломан Бывалый

    Сообщения:
    1.169
    Симпатии:
    212
    Автомобиль:
    Зил 130
    Имя:
    Зиломан
    кипятить, это анахронизм, вот тавотница - вешь! :good:
     
    Атаман 61 нравится это.
  7. Lesovoz.

    Lesovoz. Механик

    Сообщения:
    1.210
    Симпатии:
    100
    Адрес:
    Смоленская область.
    Автомобиль:
    ЗиЛ 130
    Имя:
    Геннадий
    В нигроле можно и вымочить.,а проварить если то в чемто густом,типа графитки))) но лучше шприцевать
     
    Атаман 61 нравится это.
  8. Анатолий Захаров

    Анатолий Захаров Ученик

    Сообщения:
    34
    Симпатии:
    5
    Адрес:
    Самара
    Автомобиль:
    Зил-131
    Имя:
    Анатолий
    диск ставим "чашкой" к маховику, как на картинке. зазор выставляем также как отмечено на рисунке. еще момент, мы выставляли зазоры на НОВОЙ корзине купленной в Вехе. Сейчас еще попробуем отрегулировать старую и посмотрим что получится.
     
  9. Marseli

    Marseli Знаток

    Сообщения:
    644
    Симпатии:
    80
    Адрес:
    г.Стерлитамак
    Автомобиль:
    зил-131/ ммз 45028
    Имя:
    Марсель
    Привет Анатолий. Если лапки болтаются-это значит корзина б/у, т.к. наружная точка крепления жёсткая,а средняя в подшипнике.
    Что бы лапки не болтались,их под пружинивают. Я в корзину, по кругу, под лапки ложу кислородный шланг.
    Дёшево и сердито.
     
    Атаман 61 нравится это.
  10. Анатолий Захаров

    Анатолий Захаров Ученик

    Сообщения:
    34
    Симпатии:
    5
    Адрес:
    Самара
    Автомобиль:
    Зил-131
    Имя:
    Анатолий
    Привет! Да мы тоже так подумали сразу, какая-то она прям "не новая"))
     
  11. Анатолий Захаров

    Анатолий Захаров Ученик

    Сообщения:
    34
    Симпатии:
    5
    Адрес:
    Самара
    Автомобиль:
    Зил-131
    Имя:
    Анатолий
    Поставили старую с новым диском, лапки отрегулировались, ничего не болтается, старую обратно отдадим) Спасибо всем за помощь ребята!
     
  12. Dok4817

    Dok4817 Ученик

    Сообщения:
    16
    Симпатии:
    0
    Адрес:
    Бийск
    Автомобиль:
    Зил 130
    Так можно или нет отрегулировать лапки не снимая кпп и какой должен быть зазор между лапками и выжимным
     
  13. Рамир

    Рамир Слесарь-Водитель Команда форума

    Сообщения:
    3.139
    Симпатии:
    743
    Адрес:
    Екатеринбург
    Автомобиль:
    ЗиЛ 433360 двс 509
    Имя:
    Сергей
    конечно можно. всё уже описано в нескольких темах.
     
    Атаман 61 нравится это.

Поделиться этой страницей